Revue Technique Camaro 5

Avatar de l’utilisateur
Freedo911
Formule 1
Formule 1
Bienfaiteur 2018
Bienfaiteur 2018
Messages : 766
Inscription : 18 mai 2014, 09:18
Modele : Camaro 2012 Cabrio Bva yellow power !!
Localisation : Seine-et-Marne
Statut : Hors-ligne

Revue Technique Camaro 5

Message par Freedo911 »

en quête de savoir j ai trouvé sur le Net cette revue Technique de la Camaro Gen 5
je n ai pas l'intention de me lancer dans la mécanique que les mécanos du forum se rassure
je suis plus à l'aise devant des casseroles que devant un capot ouvert ..

:LOL:
Hayne Camaro5.JPG
hayne camao 5 dos.JPG
acheté Neuf pour une vingtaine d'€uros sur Amazon c'est une mine d'informations sur la Camaro de 2010 à 2015
elle est en anglais certe mais le site de l'éditeur fournis ce petit dico des Termes mécanique Anglais/Français bien pratique
indispensable aussi pour commander des pièces ou accesoires sur Internet ..
il est dispo sur le site et le voici
Dico Technique english-french.pdf
(3.82 Mio) Téléchargé 555 fois
la revue traite du V8 & une Partie V6 aussi .
Capture dessous .JPG

on y trouve les caractéristiques , des tutos pour l'entretien et démontage ,
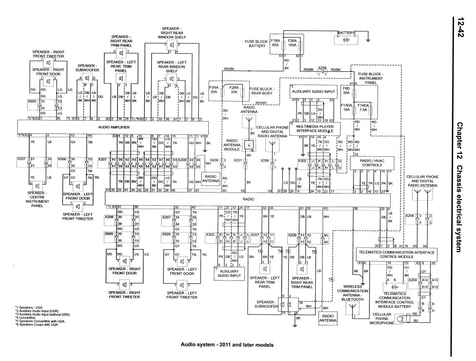
schémas électriques
Capture plan audio .JPG
,Page de Codes erreurs Odb
Capture code .JPG
,..la ce ne sont que des recopies d'écrans ;)
le papier étant fin j ai pris l'option d'en faire une copie personnelle digitale qui permet de zoomer et d'imprimer juste les pages nécessaire
et préserver mon exemplaire
inutile d'en demander une copie içi ce serait illégal !! pas de ça sur le Forum :non: , Pas de Prisons pour nos admins !!

pour le Dico lui il est Free et bien pratique alors profiter en .. :good:
Avatar de l’utilisateur
jerrylee
Bienfaiteur 2026
Bienfaiteur 2026
Dragster
Dragster
Messages : 11664
Inscription : 13 juin 2014, 22:42
Modele : Coupé BVA 6.2 SS blanche bandes noires "Corsica" 2013, bouclier avant ZL1, optimisation Hartt Racing, K&N Typhoon, Borla S-Type, H&R -4cm, DLW Uros K-S 9.5 et 10.5", Phantom grill.
Localisation : 4ème grotte à gauche, St-Cergue (Suisse)
Statut : Hors-ligne

Re: Revue Technique Camaro 5

Message par jerrylee »

Bah, un peu de prison les rendra plus forts et les boostera peut-être pour organiser tout plein de rassos afin de profiter de chaque seconde de beau temps... :daemon:

Pas grave que tu ne donnes pas de copie papier des différentes pages qui pourraient nous intéresser, on sait maintenant qui harceler pour avoir des renseignements gratos... :cassos:
Image !!! REP mon Drakkar !!!
Avatar de l’utilisateur
Corik
Sheriff
Sheriff
Fondateurs
Fondateurs
Dragster
Dragster
Messages : 4399
Inscription : 24 févr. 2014, 09:49
Modele : V8 Coupé EU - 2SS - Ashen Gray de Juin 2012
Localisation : LSO
Statut : Hors-ligne

Re: Revue Technique Camaro 5

Message par Corik »

:merci: Fredo pour ces super infos :good:
De quoi alimenter un peu plus notre bagage technique sur le forum :bravo: :bravo: :bravo:
"On peut limiter la vitesse, mais rien ne peut freiner la passion"
Avatar de l’utilisateur
Baere
Fondateurs
Fondateurs
Bienfaiteur 2018
Bienfaiteur 2018
Dragster
Dragster
Messages : 3163
Inscription : 24 févr. 2014, 12:03
Modele : Camaro SS
Localisation : Bourgogne
Statut : Hors-ligne

Re: Revue Technique Camaro 5

Message par Baere »

C'est génial, il va falloir que j'en commande 1 :)
Strasbourg mon amour
Avatar de l’utilisateur
Dudu_38
Dragster
Dragster
Bienfaiteur 2019
Bienfaiteur 2019
Messages : 1634
Inscription : 06 juil. 2014, 18:43
Modele : '12 Coupé SS BVA - Halo harness - KAD K&N - Noweeds
Statut : Hors-ligne

Re: Revue Technique Camaro 5

Message par Dudu_38 »

:merci: :good:

Super info en effet !

Bon la version éditée par " Haynes" n'est plus dispo sur Amazon j'ai donc pris la version éditée par "Chilton". (Une vingtaine d'Euro également avec les frais de port)

Ça pourra peut être se compléter (utilisation de matériels et techniques différentes, photos en plus ou en moins et sous des angles différents). ;)
Pièces jointes
IMG_0063.JPG
IMG_0063.JPG (31.92 Kio) Consulté 3878 fois
2012 euro coupé V8 L99/6L80E
Cutout Noweeds - K.A.D K&N - Halo harness
Appuis tête « SS » couleur carrosserie.
Logo « SS » en milieu de calandre.
Avatar de l’utilisateur
Dudu_38
Dragster
Dragster
Bienfaiteur 2019
Bienfaiteur 2019
Messages : 1634
Inscription : 06 juil. 2014, 18:43
Modele : '12 Coupé SS BVA - Halo harness - KAD K&N - Noweeds
Statut : Hors-ligne

Re: Revue Technique Camaro 5

Message par Dudu_38 »

Il est à noter que ces manuels sont à destination des camaro "US" donc sur nos versions "EURO" on aura peut être des surprises... :crazy:
2012 euro coupé V8 L99/6L80E
Cutout Noweeds - K.A.D K&N - Halo harness
Appuis tête « SS » couleur carrosserie.
Logo « SS » en milieu de calandre.
Avatar de l’utilisateur
Indiana
Administrateur
Administrateur
Fondateurs
Fondateurs
Dragster
Dragster
Messages : 12607
Inscription : 22 févr. 2014, 00:27
Modele : 2012 V8 - EU BVA - noire bande grise
Localisation : Morvan
Statut : Hors-ligne

Re: Revue Technique Camaro 5

Message par Indiana »

jerrylee a écrit :Bah, un peu de prison les rendra plus forts
D'après les récents événements en France, plus la peine d'aller en prison pour se faire forcer l'anus... :nurse: Si tenté que cela rende plus fort ! :non:

Non franchement 20€ le manuel sur Amazon, achetez-le et je conserve ma virginité anale. Mon rectum non déchiré vous remercie. :lapin: :redass:
6.2l... Non, pas aux 100Km !
2012 Camaro noire BVA TO
2010 Ford F-150 XLT Extended Cab
2013 Lexus is300h
1980 Westfield SE 1600
2022 E-Odin 2.0 (moto électrique)
Avatar de l’utilisateur
Dudu_38
Dragster
Dragster
Bienfaiteur 2019
Bienfaiteur 2019
Messages : 1634
Inscription : 06 juil. 2014, 18:43
Modele : '12 Coupé SS BVA - Halo harness - KAD K&N - Noweeds
Statut : Hors-ligne

Re: Revue Technique Camaro 5

Message par Dudu_38 »

Tu dis ça mais au fond de toi (jeu de mot... :vin: ) t'as quand même envie de tester... :angel:
2012 euro coupé V8 L99/6L80E
Cutout Noweeds - K.A.D K&N - Halo harness
Appuis tête « SS » couleur carrosserie.
Logo « SS » en milieu de calandre.
Avatar de l’utilisateur
Freedo911
Formule 1
Formule 1
Bienfaiteur 2018
Bienfaiteur 2018
Messages : 766
Inscription : 18 mai 2014, 09:18
Modele : Camaro 2012 Cabrio Bva yellow power !!
Localisation : Seine-et-Marne
Statut : Hors-ligne

Re: Revue Technique Camaro 5

Message par Freedo911 »

Acheté sur AMAZON.COM provenances US 19.5$ + Fdp 7.48$ livr 8/10 jours

Chapitre 0 "identification " très intéressant
identifier le véhicule , vérifier les campagnes de "rappels " , liste des symptômes de pannes..

petit extrait j'espere qu'il vont me payer pour la Pub :clown:
d'aileurs le site de l'editeur Haynes vaut le détour pour les revues Techniques 2 roues 4 roues 6 roues ,
on y trouve aussi des RT pour réparer votre TANK PANZER
et même votre "Falcon Millenium" en cas de pane dans un autre système solaire :LOL:
ident camamro 1.pdf
(301.62 Kio) Téléchargé 300 fois
Avatar de l’utilisateur
Indiana
Administrateur
Administrateur
Fondateurs
Fondateurs
Dragster
Dragster
Messages : 12607
Inscription : 22 févr. 2014, 00:27
Modele : 2012 V8 - EU BVA - noire bande grise
Localisation : Morvan
Statut : Hors-ligne

Re: Revue Technique Camaro 5

Message par Indiana »

Pour ce qui est marqué directement sur la voiture, à mon avis, à prendre en photo avant que ce ne disparaisse lorsque ce sont des étiquettes !

Dans le Silverado, c'est assez pratique, il y a une étiquette dans la boite à gant avec tous les codes "options" du véhicule, de l'identification moteur, boite, à la clim ou le pack off-road. Dommage que ce ne soit pas le cas dans la Camaro...
6.2l... Non, pas aux 100Km !
2012 Camaro noire BVA TO
2010 Ford F-150 XLT Extended Cab
2013 Lexus is300h
1980 Westfield SE 1600
2022 E-Odin 2.0 (moto électrique)
Répondre